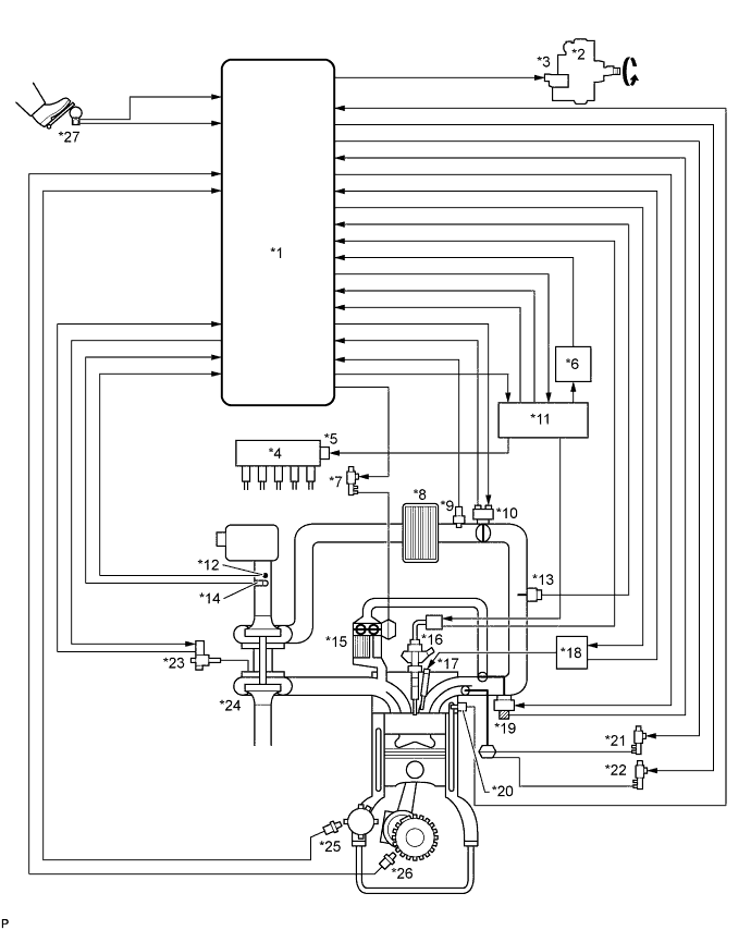
| SISTEMA DE CONTROLE DO MOTOR |

|
* 1 |
ECM |
* 2 |
Conjunto da bomba de suprimento de
combust�vel |
|
* 3 |
V�lvula de controle de suc��o |
* 4 |
Conjunto de trilho comum |
|
* 5 |
V�lvula de descarga de press�o |
* 6 |
Rel� EDU |
|
* 7 |
VSV para v�lvula de desvio EGR |
* 8 |
Intercooler |
|
* 9 |
Sensor de temperatura do ar de
admiss�o (Turbo) |
* 10 |
Conjunto do corpo do acelerador a
diesel |
|
* 11 |
Driver Injector |
* 12 |
Sensor de temperatura do ar de
admiss�o (incorporado no medidor de fluxo de ar em massa) |
|
* 13 |
Sensor de press�o absoluta do
coletor |
* 14 |
Medidor de fluxo de ar em massa |
|
* 15 |
Refrigerador EGR |
* 16 |
Montagem do Injetor |
|
* 17 |
Plugue de fulgor |
* 18 |
Controlador das velas de
incandesc�ncia |
|
* 19 |
Conjunto de v�lvula de controle
el�trico EGR |
* 20 |
Sensor de temperatura do l�quido
de refrigera��o do motor |
|
* 21 |
V�lvula de comuta��o a v�cuo n� 1
(para v�lvula de controle de turbilh�o) |
* 22 |
V�lvula de comuta��o a v�cuo n� 2
(para v�lvula de controle de turbilh�o) |
|
* 23 |
Motor DC, Sensor de posi��o da
palheta do bico |
* 24 |
Subconjunto do turbocompressor |
|
* 25 |
Sensor de posi��o da �rvore de
cames |
* 26 |
Sensor de posi��o do virabrequim |
|
* 27 |
Sensor de posi��o do pedal do
acelerador |
- |
- |
| SISTEMA i-ART |

|
* 1 |
Atuador piezoel�trico |
* 2 |
Pist�o n� 1 |
|
* 3 |
No. 2 Pist�o |
* 4 |
V�lvula de Tr�s Vias |
|
* 5 |
Agulha do bico |
* 6 |
|
|
*uma |
Diagrama de se��o transversal do
conjunto do injetor |
- |
- |
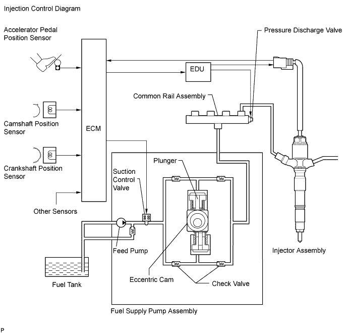
| DESCRI��O DO SISTEMA DE TRILHO COMUM |
Sistema ferrovi�rio comum:
O sistema ferrovi�rio comum utiliza
combust�vel de alta press�o para melhorar a economia de combust�vel. Este
sistema tamb�m fornece pot�ncia robusta do motor, suprimindo a vibra��o e o
ru�do do motor.
Este sistema armazena combust�vel no
trilho comum, que foi pressurizado e fornecido pelo conjunto da bomba de
suprimento de combust�vel. Armazenando combust�vel em alta press�o, o
sistema common rail pode fornecer combust�vel a press�es est�veis de
inje��o de combust�vel, independentemente da velocidade do motor ou da carga
do motor.
O ECM, usando o driver do injetor,
fornece uma corrente el�trica ao atuador piezoel�trico em cada injetor para
regular o tempo e o volume da inje��o de combust�vel. O ECM tamb�m monitora
a press�o interna de combust�vel do trilho comum usando o sensor de press�o
de combust�vel embutido em cada injetor. O ECM faz com que o conjunto da
bomba de suprimento de combust�vel forne�a o combust�vel necess�rio para
obter a press�o de combust�vel desejada.
Al�m disso, este sistema utiliza um
atuador piezoel�trico dentro de cada injetor para abrir e fechar as
passagens de combust�vel. Portanto, o tempo de inje��o de combust�vel e o
volume de inje��o de combust�vel podem ser regulados com precis�o pelo ECM.
O sistema common rail permite um
processo de inje��o de combust�vel em dois est�gios. Para atenuar os choques
de combust�o, este sistema executa a "inje��o piloto" antes da inje��o de
combust�vel principal. Isso ajuda a reduzir a vibra��o e o ru�do do motor.

|
* 1 |
Conjunto de trilho comum |
* 2 |
V�lvula de descarga de press�o |
|
* 3 |
Conjunto da bomba de
suprimento de combust�vel |
* 4 |
V�lvula de controle de suc��o |
|
* 5 |
Driver Injector |
* 6 |
ECM |
|
* 7 |
Montagem do Injetor |
* 8 |
Refrigerador de combust�vel |
|
* 9 |
Filtro de combust�vel |
* 10 |
Filtro de combust�vel (com
filtro de combust�vel secund�rio) |
|
* 11 |
Tanque de combust�vel |
* 12 |
V�lvula de reten��o de
combust�vel |
![]() |
Linha de combust�vel de alta
press�o |
![]() |
Linha de retorno de
combust�vel |
![]() |
Linha de Combust�vel de Suc��o |
- |
- |
Componentes comuns do sistema
ferrovi�rio:
|
Componente |
Descri��o |
|
Conjunto de trilho comum |
Armazena combust�vel de alta
press�o produzido pelo conjunto da bomba de suprimento de
combust�vel |
|
Conjunto da bomba de
suprimento de combust�vel |
|
|
Montagem do injetor |
Injeta combust�vel na c�mara
de combust�o com base nos sinais do ECM |
|
Sensor de press�o de
combust�vel (incorporado no conjunto do injetor) |
Monitora a press�o interna do
combust�vel do conjunto do injetor e envia sinais para o ECM |
|
V�lvula de descarga de press�o |
Com base nos sinais do ECM,
abre a v�lvula quando ocorre uma desacelera��o repentina ou quando a
chave de igni��o est� desligada para evitar que a press�o do
combust�vel fique muito alta. |
|
V�lvula de controle de suc��o |
Com base nos sinais do ECM,
ajusta o volume de combust�vel fornecido ao common rail e regula a
press�o interna do combust�vel |
|
V�lvula de reten��o |
Mant�m a press�o que
descarrega do conjunto do injetor |
Tabela de c�digo de diagn�stico de
problemas (DTC) para o sistema common rail:
|
�rea de problemas |
Defeituoso |
DTC No. |
|
Montagem do injetor |
Aberto ou curto no circuito do
injetor |
P0093 *, P0201, P0202, P0203,
P0204, P062D, P029D, P02A1, P02A5, P02A9 |
|
Preso aberto |
P0093, P029D, P02A1, P02A5,
P02A9 |
|
|
Preso fechado |
- |
|
|
Sensor de press�o de
combust�vel (incorporado no conjunto do injetor) |
Aberto ou curto no circuito do
sensor de press�o do combust�vel ou na faixa / desempenho do sensor
de press�o |
P13A1, P13A2, P13A6, P13A7,
P13AB, P13AC, P13B1, P13B2 P13E1, P13E2, P13E6, P13E7 P13A3, P13A8, P13AD, P13B3 |
|
V�lvula de descarga de press�o |
Aberto ou curto no circuito da
v�lvula de descarga de press�o |
P0088 *, P0093 *, P1229 *,
P1271, P1272 |
|
Preso aberto |
P0093 |
|
|
Preso fechado |
P0088 *, P1272 |
|
|
V�lvula de controle de suc��o |
Aberto ou curto no circuito da
v�lvula de controle de suc��o |
P0627, P1229, P0088 * |
|
Preso aberto |
P0088 *, P1229 |
|
|
Driver injetor |
Driver injetor com defeito |
P0093 *, P0201 *, P0202 *,
P0203 *, P0204 *, P062D *, P1271 *, P1272 *, P029D *, P02A1 *, P02A5
*, P02A9 * |
|
Sistema ferrovi�rio comum
(sistema de combust�vel) |
Vazamentos de combust�vel na
�rea de alta press�o |
P0093 |
Descri��o do c�digo de diagn�stico
para o sistema common rail:
|
DTC No. |
Descri��o |
|
P0088 |
Press�o interna de combust�vel
muito alta (220000 kPa [2243 kgf / cm 2 ,
31900 psi] ou mais) |
|
P0093 |
Vazamentos de combust�vel em
�reas de alta press�o |
|
P0201 a P0204 |
Aberto ou curto no circuito
injetor No. 1 a No. 4 |
|
P029D |
Cilindro 1 - Vazamento do
Injetor |
|
P02A1 |
Cilindro 2 - Vazamento do
Injetor |
|
P02A5 |
Cilindro 3 - Vazamento do
Injetor |
|
P02A9 |
Cilindro 4 - Vazamento do
Injetor |
|
P0627 |
Aberto ou curto no circuito da
v�lvula de controle de suc��o |
|
P062D |
Aberto ou curto no driver do
injetor ou no circuito do injetor |
|
P1229 |
Excesso de alimenta��o de
combust�vel |
|
P1271 |
Aberto ou curto no circuito da
v�lvula de descarga de press�o |
|
P1272 |
V�lvula de descarga de press�o
presa perto |
|
P13A1 |
Aberto ou curto no circuito do
conjunto do injetor n� 1 (sensor de press�o de combust�vel) (a
tens�o de sa�da est� muito baixa) (subprocessador) |
|
P13A2 |
Aberto ou curto no circuito do
conjunto do injetor n�mero 1 (sensor de press�o de combust�vel) (a
tens�o de sa�da est� muito alta) (subprocessador) |
|
P13A6 |
Aberto ou curto no circuito do
conjunto do injetor n � 2 (sensor de press�o de combust�vel) (a
tens�o de sa�da est� muito baixa) (subprocessador) |
|
P13A7 |
Aberto ou curto no circuito do
conjunto do injetor n � 2 (sensor de press�o de combust�vel) (a
tens�o de sa�da est� muito alta) (subprocessador) |
|
P13AB |
Aberto ou curto no circuito do
conjunto do injetor n � 3 (sensor de press�o de combust�vel) (a
tens�o de sa�da est� muito baixa) (subprocessador) |
|
P13AC |
Aberto ou curto no circuito do
conjunto do injetor n � 3 (sensor de press�o de combust�vel) (a
tens�o de sa�da est� muito alta) (Sub CPU) |
|
P13B1 |
Aberto ou curto no circuito do
conjunto do injetor n � 4 (sensor de press�o de combust�vel) (a
tens�o de sa�da est� muito baixa) (subprocessador) |
|
P13B2 |
Aberto ou curto no circuito do
conjunto do injetor n � 4 (sensor de press�o de combust�vel) (a
tens�o de sa�da est� muito alta) (Sub CPU) |
|
P13E1 |
Aberto ou curto no circuito do
conjunto do injetor n� 1 (sensor de press�o de combust�vel) (a
tens�o de sa�da est� muito baixa) (CPU principal) |
|
P13E2 |
Aberto ou curto no circuito do
conjunto do injetor n�mero 1 (sensor de press�o de combust�vel) (a
tens�o de sa�da est� muito alta) (CPU principal) |
|
P13E6 |
Aberto ou curto no circuito do
conjunto do injetor n � 4 (sensor de press�o de combust�vel) (a
tens�o de sa�da est� muito baixa) (CPU principal) |
|
P13E7 |
Aberto ou curto no circuito do
conjunto do injetor n � 4 (sensor de press�o de combust�vel) (a
tens�o de sa�da est� muito alta) (CPU principal) |
|
P13A3 |
Faixa / desempenho do conjunto
do injetor n� 1 (sensor de press�o de combust�vel) |
|
P13A8 |
Faixa / desempenho do conjunto
do injetor n� 2 (sensor de press�o de combust�vel) |
|
P13AD |
Faixa / desempenho do conjunto
do injetor n� 3 (sensor de press�o de combust�vel) |
|
P13B3 |
Faixa / desempenho do conjunto
do injetor n � 4 (sensor de press�o de combust�vel) |
| DESCRI��O DO SISTEMA DE CONTROLE DE INJE��O |

| DESCRI��O DO SISTEMA DE OPERA��O DA BOMBA DE ABASTECIMENTO DE COMBUST�VEL |

| DESCRI��O DO SISTEMA DE OPERA��O DA V�LVULA DE CONTROLE DE SUC��O |
Pequena abertura da v�lvula de
controle de suc��o:
Quando a abertura da v�lvula de
controle de suc��o � pequena, o volume de combust�vel fornecido �
pequeno.
O volume de suc��o torna-se
pequeno devido ao caminho estreito, apesar do curso do �mbolo estar
cheio. A diferen�a entre o volume geom�trico e o volume de suc��o cria
um v�cuo.
A sa�da da bomba inicia quando a
press�o do combust�vel em (A) se torna mais alta que a press�o do trilho
comum (B).

Grande abertura da v�lvula de controle
de suc��o:
Quando a abertura da v�lvula de
controle de suc��o � grande, o volume de combust�vel fornecido � grande.
Se o curso do �mbolo estiver
cheio, o volume de suc��o se tornar� grande devido ao amplo caminho.
A sa�da da bomba inicia quando a
press�o do combust�vel em (A) se torna mais alta que a press�o do trilho
comum (B).
