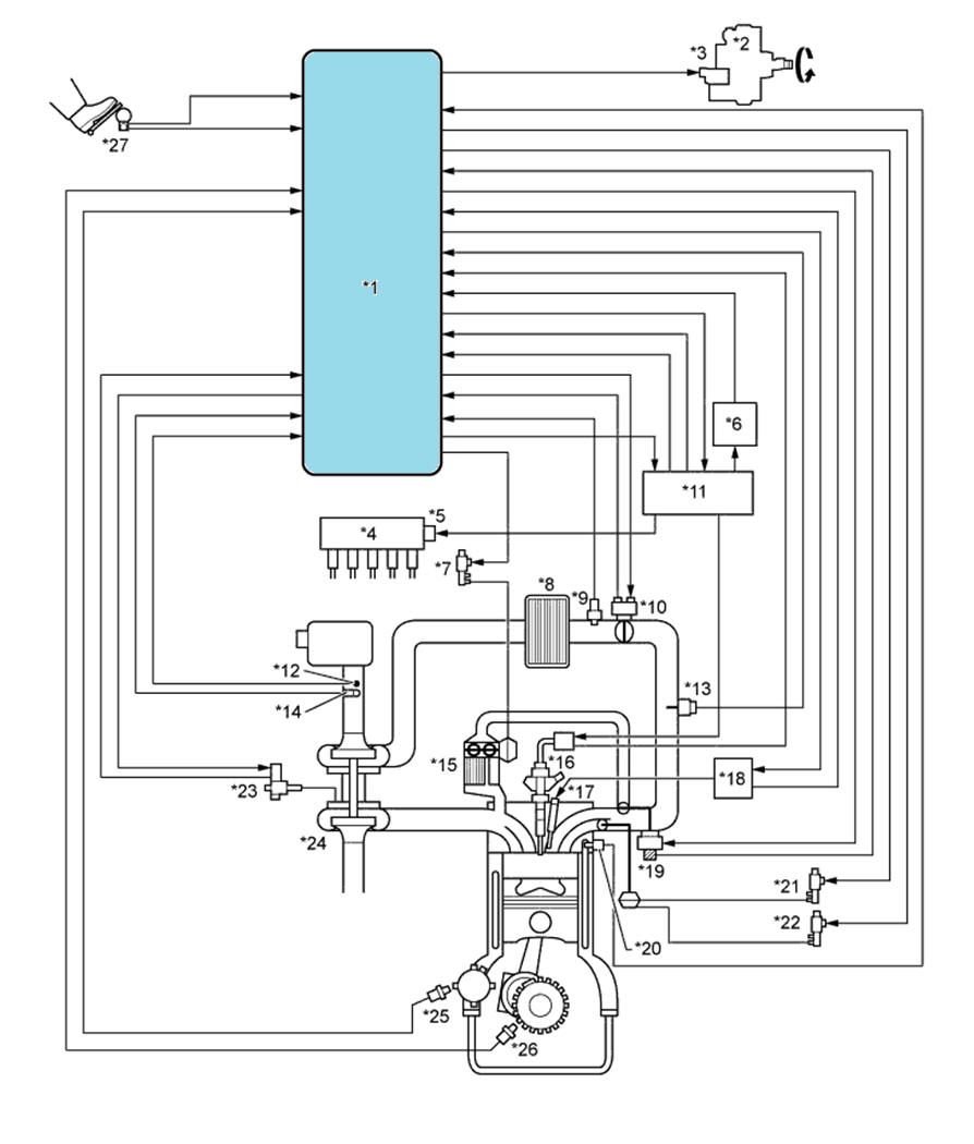
SISTEMA DE CONTROLE DO MOTOR

1 ECM
 2 Conjunto da bomba de suprimento de combust�vel
 3 V�lvula de controle de suc��o
 4 Conjunto de trilho comum
 5 V�lvula de descarga de press�o
 6 Rel� EDU
 7 VSV para v�lvula de desvio EGR
 8 Intercooler
 9 Sensor de temperatura do ar de admiss�o (Turbo)
 10 Conjunto do corpo do acelerador a diesel
 11 Driver Injetor
 12 Sensor de temperatura do ar de admiss�o (incorporado no medidor de fluxo de ar em massa)
 13 Sensor de press�o absoluta do coletor
 14 Medidor de fluxo de ar em massa
 15 Refrigerador EGR
 16 Montagem do Injetor
 17 vela de aquecimento
 18 Controlador das velas de incandesc�ncia
 19 Conjunto de v�lvula de controle el�trico EGR
 20 Sensor de temperatura do l�quido de refrigera��o do motor
 21 V�lvula de comuta��o a v�cuo n� 1 (para v�lvula de controle de turbilh�o)
 22 V�lvula de comuta��o a v�cuo n� 2 (para v�lvula de controle de turbilh�o)
 23 Motor DC, Sensor de posi��o da palheta do bico
 24 Subconjunto do turbocompressor
 25 Sensor de posi��o do comando de v�lvulas
 26 Sensor de posi��o do virabrequim
 27 Sensor de posi��o do pedal do acelerador

-
-

SISTEMA i-ART

              No sistema i-ART (Tecnologia de refinamento de precis�o inteligente), s�o utilizados injetores i-ART, que s�o injetores que possuem sensores de press�o embutidos.
              Ao incorporar um sensor de press�o no injetor, qualquer altera��o na press�o interna dos injetores pode ser confirmada em um ponto pr�ximo ao local onde o combust�vel � injetado.
              O injetor i-ART detecta diretamente a press�o interna do combust�vel e a temperatura do combust�vel.
              O ECM recebe o sinal da forma de onda da press�o do sensor de press�o e detecta o volume de inje��o de combust�vel a ser executado para que o volume de inje��o de combust�vel corresponda ao alvo.
              Devido a esse sistema, a precis�o da inje��o de combust�vel, mesmo na menor quantidade, foi aprimorada e o controle preciso da inje��o multin�vel (inje��o piloto de tr�s est�gios) foi poss�vel. Por sua vez, a combust�o � mais est�vel e o ru�do produzido durante a combust�o diminuiu.
              Os injetores i-ART realizam automaticamente o aprendizado quando s�o substitu�dos. Portanto, o registro do c�digo de compensa��o do injetor e o aprendizado da quantidade piloto n�o s�o necess�rios. O aprendizado � realizado enquanto o mecanismo est� em execu��o.

 
 

Descri��o do c�digo de diagn�stico para o sistema common rail:

 

DTC No.
 
Descri��o
 
P0088
 
Press�o interna de combust�vel muito alta (220000 kPa [2243 kgf / cm 2 , 31900 psi] ou mais)
 
P0093
 
Vazamentos de combust�vel em �reas de alta press�o
 
P0201 a P0204
 
Aberto ou curto no circuito injetor No. 1 a No. 4
 
P029D
 
Cilindro 1 - Vazamento do Injetor
 
P02A1
 
Cilindro 2 - Vazamento do Injetor
 
P02A5
 
Cilindro 3 - Vazamento do Injetor
 
P02A9
 
Cilindro 4 - Vazamento do Injetor
 
P0627
 
Aberto ou curto no circuito da v�lvula de controle de suc��o
 
P062D
 
Aberto ou curto no driver do injetor ou no circuito do injetor
 
P1229
 
Excesso de alimenta��o de combust�vel
 
P1271
 
Aberto ou curto no circuito da v�lvula de descarga de press�o
 
P1272
 
V�lvula de descarga de press�o presa perto
 
P13A1
 
Aberto ou curto no circuito do conjunto do injetor n� 1 (sensor de press�o de combust�vel) (a tens�o de sa�da est� muito baixa) (subprocessador)
 
P13A2
 
Aberto ou curto no circuito do conjunto do injetor n�mero 1 (sensor de press�o de combust�vel) (a tens�o de sa�da est� muito alta) (subprocessador)
 
P13A6
 
Aberto ou curto no circuito do conjunto do injetor n � 2 (sensor de press�o de combust�vel) (a tens�o de sa�da est� muito baixa) (subprocessador)
 
P13A7
 
Aberto ou curto no circuito do conjunto do injetor n � 2 (sensor de press�o de combust�vel) (a tens�o de sa�da est� muito alta) (subprocessador)
 
P13AB
 
Aberto ou curto no circuito do conjunto do injetor n � 3 (sensor de press�o de combust�vel) (a tens�o de sa�da est� muito baixa) (subprocessador)
 
P13AC
 
Aberto ou curto no circuito do conjunto do injetor n � 3 (sensor de press�o de combust�vel) (a tens�o de sa�da est� muito alta) (Sub CPU)
 
P13B1
 
Aberto ou curto no circuito do conjunto do injetor n � 4 (sensor de press�o de combust�vel) (a tens�o de sa�da est� muito baixa) (subprocessador)
 
P13B2
 
Aberto ou curto no circuito do conjunto do injetor n � 4 (sensor de press�o de combust�vel) (a tens�o de sa�da est� muito alta) (Sub CPU)
 
P13E1
 
Aberto ou curto no circuito do conjunto do injetor n� 1 (sensor de press�o de combust�vel) (a tens�o de sa�da est� muito baixa) (CPU principal)
 
P13E2
 
Aberto ou curto no circuito do conjunto do injetor n�mero 1 (sensor de press�o de combust�vel) (a tens�o de sa�da est� muito alta) (CPU principal)
 
P13E6
 
Aberto ou curto no circuito do conjunto do injetor n � 4 (sensor de press�o de combust�vel) (a tens�o de sa�da est� muito baixa) (CPU principal)
 
P13E7
 
Aberto ou curto no circuito do conjunto do injetor n � 4 (sensor de press�o de combust�vel) (a tens�o de sa�da est� muito alta) (CPU principal)
 
P13A3
 
Faixa / desempenho do conjunto do injetor n� 1 (sensor de press�o de combust�vel)
 
P13A8
 
Faixa / desempenho do conjunto do injetor n� 2 (sensor de press�o de combust�vel)
 
P13AD
 
Faixa / desempenho do conjunto do injetor n� 3 (sensor de press�o de combust�vel)
 
P13B3
 
Faixa / desempenho do conjunto do injetor n � 4 (sensor de press�o de combust�vel)